FORZA EXTRACTOR HIDRÁULICO DE RÓTULAS FORZA PARA CAMIONES

  • Eficiencia mejorada: El husillo hidráulico permite una extracción rápida y sin esfuerzo, incrementando la productividad del operador.
  • Durabilidad: Fabricado con materiales de alta calidad, este extractor está diseñado para soportar el uso constante y las condiciones difíciles de un taller de vehículos pesados.
  • Reducción de esfuerzo físico: Gracias al sistema hidráulico, el usuario experimenta menos cansancio, lo que permite un trabajo más continuo y sin pausas prolongadas.
  • Ahorro de tiempo: La facilidad y rapidez del proceso de extracción permiten al usuario completar más tareas en menos tiempo, optimizando los tiempos de operación.

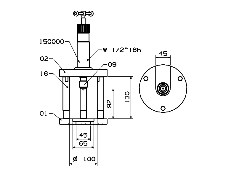
El extractor hidráulico de rótulas para camiones es una herramienta esencial diseñada para facilitar el proceso de extracción de rótulas en vehículos pesados.
Este extractor de acción directa está construido con materiales de alta resistencia, permitiendo una operación segura y eficiente en condiciones de trabajo exigentes.
El sistema de husillo hidráulico incorporado reduce significativamente el esfuerzo necesario para realizar el trabajo, lo que no solo ahorra tiempo, sino que también minimiza la fatiga del operador.
Su diseño robusto asegura una larga vida útil, mientras que su capacidad para aplicar fuerza de manera uniforme previene daños en las rótulas y otras partes del vehículo durante el proceso de extracción.
Ideal para talleres mecánicos especializados en camiones y vehículos pesados, este extractor es una inversión valiosa para cualquier profesional del sector.

Recomendaciones de uso:
Asegúrese de que el vehículo esté adecuadamente elevado y seguro antes de comenzar el proceso de extracción de rótulas.
Verifique que el extractor esté correctamente alineado con la rótula para evitar cualquier daño durante el proceso de extracción.
Utilice el extractor dentro de los límites de capacidad especificados para evitar daños tanto en la herramienta como en el vehículo.
Mantenga siempre las manos y otras partes del cuerpo alejadas del área de trabajo mientras el extractor está en uso.
Después de su uso, limpie y almacene el extractor en un lugar seco y seguro para prolongar su vida útil.

Recomendaciones de mantenimiento:
Lubrique regularmente el husillo hidráulico y las partes móviles del extractor para asegurar un funcionamiento suave y prolongado.
Inspeccione el extractor antes y después de cada uso para identificar cualquier signo de desgaste o daño que pueda comprometer su funcionamiento.
Almacene el extractor en un lugar limpio y seco, lejos de la humedad y de agentes corrosivos, para evitar la oxidación y el deterioro de los componentes.

Listado de referencias

Referencia Descripción
5670HEXTRACTOR ROTULAS HIDRÁULICO CAMION 40x45
5671HEXTRACTOR ROTULAS HIDRÁULICO CAMION 45x92

Clasificación AECOC:
SECTOR FERRETERÍA Y BRICOLAJE HERRAMIENTAS HERRAMIENTA MANUAL OTROS (HERRAMIENTA MANUAL) (080405OT)

Clasificación UNSPSC:
Herramientas y Maquinaria General Herramientas de mano Llaves inglesas y guías Extractores (27111712)

EXTRACTOR HIDRÁULICO DE RÓTULAS FORZA PARA CAMIONES
EXTRACTOR HIDRÁULICO DE RÓTULAS FORZA PARA CAMIONES
EXTRACTOR HIDRÁULICO DE RÓTULAS FORZA PARA CAMIONES
EXTRACTOR HIDRÁULICO DE RÓTULAS FORZA PARA CAMIONES
EXTRACTOR HIDRÁULICO DE RÓTULAS FORZA PARA CAMIONES
EXTRACTOR HIDRÁULICO DE RÓTULAS FORZA PARA CAMIONES
EXTRACTOR HIDRÁULICO DE RÓTULAS FORZA PARA CAMIONES
EXTRACTOR HIDRÁULICO DE RÓTULAS FORZA PARA CAMIONES
EXTRACTOR HIDRÁULICO DE RÓTULAS FORZA PARA CAMIONES